btbanner.jpg

Two-dimensional front-tracking model for film evaporation

To understand the physical process involved in film evaporation, a new numerical model is created using coupled quadratic finite element formulation of the conservation equations. The heat transport equation is solved in the three different phases (solid, liquid and vapor) while the Navier-Stokes equation are solved in the two fluids. The gradient discontinuity at the liquid vapor interface provides local value of the evaporative flux density that is directly linked to the interface velocity jump through mass conservation principle and used as boundary condition for two fluid flow computations

Energy and Water
Circuit Theory and Applications
Mechanical Design

Temperature-aware adaptive task-mapping targeting uniform thermal distribution in MPSoC platforms

As on-chip integration increases, the thermal distribution becomes spatially non-uniform and varies based on the power dissipation. In this paper, we introduce a temperature-aware task-mapping algorithm to prevent hotspots and achieve a highly uniform thermal distribution using adaptive multi-threshold values. The algorithm monitors the temperature of the cores, swaps tasks when the temperature of the core is relatively higher than the average temperature of the chip. Cores are switched off if they exceed an absolute maximum temperature. Using this algorithm, reliability is enhanced by

Energy and Water
Circuit Theory and Applications

Commercial supercapacitor parameter estimation from step voltage excitation

Supercapacitors are crucial elements in advanced industrial electronic systems particularly when supplied from renewable energy sources. Here, we derive expressions for the current, power, and stored energy in a supercapacitor excited with a step voltage signal. Although, it is not common practice to charge supercapacitors using a step voltage, these devices are sometimes used in switching-type applications where they are subject to this type of signal. We validate the derived mathematical expression of the current via experiments on four different commercial devices. By fitting the measured

Energy and Water
Circuit Theory and Applications

Capacitive behavior and stored energy in supercapacitors at power line frequencies

Supercapacitors are commonly viewed and mainly employed as dc electrical energy storage devices. Their behavior at far-from-dc is usually overlooked and not well explored for potential applications. In this work, we investigate analytically and experimentally the performance of supercapacitor at high frequencies, including the 50 Hz/60 Hz power line frequencies. The variation of effective capacitance, power and energy with frequency are analyzed using a fractional-order model consisting of a series resistance and a constant phase element for both pure sinusoidal and full-wave rectified voltage

Energy and Water
Circuit Theory and Applications

All-Solid-State Double-Layer Capacitors Using Binderless Reduced Graphene Oxide Thin Films Prepared by Bipolar Electrochemistry

Bipolar electrochemistry is used as an economical, single-step, and scalable process for the oxidation of a wireless graphite substrate, and the subsequent electrophoretic deposition of graphene oxide thin film on a second wireless substrate. An all-solid-state symmetric double-layer capacitor (EDLC) using binderless reduced graphene oxide electrodes exhibited outstanding reversibility and capacitance retention over 18000 cycles, as well as superior capacitive behavior at far-from-dc frequencies (for example 45 and 47 µ F cm-2), effective capacitances at 75 and 189 Hz, respectively (computed

Energy and Water
Circuit Theory and Applications

A dynamic power-aware process variation calibration scheme

In this paper, a power-aware process variation calibration scheme is proposed. The proposed calibration system provides the ability to detect and control the n- and p-type variations independently through the use of all-n and all-p ring oscillators. Calibration is then carried out through the use of the supply voltage and body bias to alter the device parameters to match those of a certain process corner that is determined by the system designer. This scheme is characterized by its ability to dynamically change the desired mapping target according to the computational load. The calibration

Energy and Water
Circuit Theory and Applications

A dynamic calibration scheme for on-chip process and temperature variations

A process and temperature variation calibration scheme is proposed in this paper. The proposed system uses the supply voltage and body bias to calibrate the device parameters to match those of a certain process corner that is determined by the system designer. This scheme is characterized by its ability to dynamically change the desired mapping target according to the computational load. Moreover, the proposed system provides the ability to detect and control the n- and p-type variations independently through the use of an all-n and all-p ring oscillators. The calibration system has been

Energy and Water
Circuit Theory and Applications

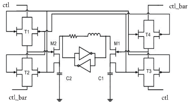
Resonant square-wave clock generator for low power applications

Power reduction is the main challenge facing circuit designers in their quest to utilize the full performance of new process technologies. A major portion of the power consumed in today's systems is due to the clock generation and distribution. Resonant clocking has been a promising technique to reduce the clock power dramatically. In this paper, a novel resonant clock generator circuit is proposed to reduce the dynamic power used for clock generation by almost 75%. Two configurations of the circuit are presented. The merit of this generator is most obvious in the ease of its implementation

Energy and Water
Circuit Theory and Applications

Communication—convolution-based estimation of supercapacitor parameters under periodic voltage excitations

Supercapacitors are typically used in applications requiring frequent and continuous charging/discharging cycles, but most of the models available in the literature are designed to predict their behavior for a single sequence. In this letter, we show first that the electrical response and metrics of supercapacitors under periodic voltage excitations can generally be obtained using Fourier series analysis and convolution operations of functions derived based on any suitable impedance model. We verified our analysis procedure with simulations using particle swarm optimization, and experiments

Energy and Water
Circuit Theory and Applications

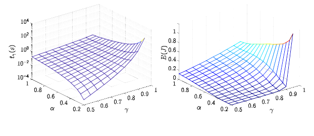
Communication-The Ragone Plot of Supercapacitors under Different Loading Conditions

The power-energy performance of supercapacitors is usually visualized by the Ragone plot of (gravimetric or volumetric) energy density vs power density. The energy is commonly computed from E = CV2/2, and the power from P = E/Δt, which assume RCbased models. In this study, we investigate the energy-power profiles of two commercial supercapacitors discharged with three different types of loads: (i) constant current, (ii) constant power, and (iii) constant resistive load. The energy is computed as per the definition from the time-integral of its instantaneous power, i.e. E(t) = ò p(t)dt with p(t

Energy and Water
Circuit Theory and Applications