btbanner.jpg

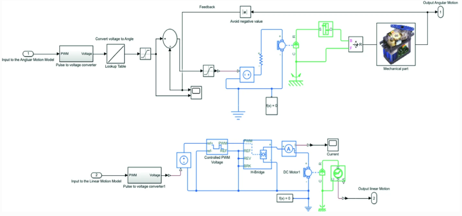
Implementation of PID Controller with PSO Tuning for Autonomous Vehicle

In the use of automatic control and its optimization methods, this research discusses how Proportional Integral Derivative (PID) controller is used to provide a smooth auto-parking for an electrical autonomous car. Different tuning methods are shown, discussed, and applied to the system looking forward to enhancing its performance. Time domain specifications are used as a criterion of comparison between tuning methods in order to select the best tuning method to the system with a proper cost function. Results show that Particle Swarm Optimization (PSO) method gives the best results according

Energy and Water
Circuit Theory and Applications
Mechanical Design
Innovation, Entrepreneurship and Competitiveness

Optimal Proportional Integral Derivative (PID) Controller Design for Smart Irrigation Mobile Robot with Soil Moisture Sensor

Uncertainty on the condition of the weather always give a major headache to the agricultural industry as the cultivated plant that is grown on a large scale commercially rely on the condition of the weather. Therefore, to reduce the interdependency on the weather itself, a recommendation to develop a prototypic mobile robot for smart irrigation is submitted. Smart irrigation system is an essential tool from yield point of view and scarcity of the water. This smart irrigation system adopts a soil moisture sensor to measure the moisture content of the soil and automatically provide a signal to

Energy and Water
Circuit Theory and Applications
Software and Communications
Agriculture and Crops
Innovation, Entrepreneurship and Competitiveness

The synthesis, production & economic feasibility of manufacturing PLA from agricultural waste

Synthetic plastics are extensively used in several applications including packaging, containers, bottles, trays, and boxes. However, these plastics are based on synthetic components which are not biodegradable, thus they rigorously effect the environment causing water, air pollution and high health risks. Moreover, Individuals are exposed to chemicals during manufacturing or usage of synthetic plastic that can easily migrate to the surrounding such as styrene from polystyrene, plasticizers from polyvinyl chloride (PVC), antioxidants from polyethylene, and acetaldehyde from polyethylene

Energy and Water

A study on the feasibility of producing polylactic acid from cotton and coffee waste in Egypt

The amount of solid waste is growing In Egypt. It is estimated to be 20 million tons annually according to the Ministry of environment forecasts. The typical competence of collection in urban areas signifies 40 – 80%, although the middling proficiency of assortment processes and transport in rustic areas signifies 40 % which is considered hazardous for communal health and environment deprived of handling solid waste in integrated framework for solid waste management system. The reprocessing and treatment procedures in Egypt represent about 9.5 % of the entire urban solid waste, which is

Energy and Water

The economic potential of using cotton stalks to produce alternative wooden materials

The wooden industry depends heavily on logging activities which have negative impacts on the environment and a shortage of supply. The industry is starting to depend on composite boards from agricultural waste materials. Composite boards have been shown in the literature. However, some wooden applications still depend on hardwoods. Besides, most of these composite boards use synthetic formaldehyde as binders. Formaldehydes have negative impacts on human health. On the other hand, Egypt has an abundance of cotton waste that can produce composite woods. In this paper, the researchers compared

Energy and Water

Bio-composite Thermal Insulation Materials Based on Banana Leaves Fibers and Polystyrene: Physical and Thermal Performance

Thermal insulators have a crucial role in reducing the operational building energy. They are commonly fabricated from petrochemical materials that mostly cause negative environmental impacts. This study aims to develop banana leaves-polystyrene composites (BL-PS) as a sustainable and low-cost thermal insulator. The BL powder was mixed with PS in different weight ratios (90:10, 80:20, 70:30, and 60:40). Thermal conductivity, electrical conductivity, SEM, XRD, FTIR, TGA, and DSC were carried out on BL and BL-PS composites that were prepared with 10 wt.% of PS powder (BL-PS1) and 30 wt.% of PS

Energy and Water
Agriculture and Crops
Mechanical Design

Enhancing spectral efficiency of FSO system using adaptive SIM/M-PSK and SIMO in the presence of atmospheric turbulence and pointing errors

This paper proposes an adaptive transmission modulation (ATM) technique for free-space optical (FSO) links over gamma-gamma turbulence channels.The ATM technique provides efficient utilization of the FSO channel capacity for improving spectral efficiency, by adapting the order of the phase-shift keying modulation scheme, according to the channel conditions and the required bit error rate (BER). To overcome the channel degradation resulting from the turbulence effects as well as the pointing errors (PEs), single-input multiple-output (SIMO) system with maximal ratio combining (MRC) is proposed

Energy and Water

CHARACTERIZATION of CONCRETE MIXES for IRRIGATION CANALS

Recently, the construction of water structures and seepage reduction are critical issues. This importance was induced due to the required specifications for the desired type of concrete. Mechanical strength and permeability are the two major parameters in achieving the design mix efficiently. This study investigates the effect of different types of admixures on the performance of concrete. The performance of concrete was evaluated using the mechanical strength and permeability tests. The concrete mixes admixtures include A retarder (Sika R2004 type G), water proofing material (addicrete DM2)

Energy and Water
Mechanical Design

Digitizing material passport for sustainable construction projects using BIM

Several aspects hinder the application sustainability in construction industry. The most prominent problems are related to the conservation of natural resources and the generation of construction and demolition wastes. Previous studies indicated that these problems are due to lack of information available to construction projects stakeholders on the proper handling of building materials in their different lifecycle stages. This paper presents Material Passport (MP) tool that provides information on how to handle building materials at the construction stage and how to benefit from them at their

Energy and Water

Ultrasonic characterization of expanded polystyrene used for shallow tunnels under seismic excitation

Expanded Polystyrene (EPS) is used as an inclusion to mitigate stresses acting on tunnels. In this study, the efficiency of utilizing EPS in reducing dynamic loads acting on shallow tunnels was studied. To gauge this, dynamic modulus of elasticity (Ed) and shear modulus (G) of EPS with densities equal to 25, 30, and 35 kg/m3 were characterized based on series of ultrasonic tests, where Ed ranged from 3500 to 6578 kPa, and G ranged from 1535 to 2741 kPa. A correlation was developed between EPS density and damping coefficient, which ranged from 1% to 2.3% based on G and the ultrasonic wave decay

Energy and Water