btbanner.jpg

Energy-Aware Cooperative Wireless Networks with Multiple Cognitive Users

In this paper, we study and analyze cooperative cognitive radio networks with arbitrary number of secondary users (SUs). Each SU is considered a prospective relay for the primary user (PU) besides having its own data transmission demand. We consider a multi-packet transmission framework that allows multiple SUs to transmit simultaneously because of dirty-paper coding. We propose power allocation and scheduling policies that optimize the throughput for both PU and SU with minimum energy expenditure. The performance of the system is evaluated in terms of throughput and delay under different

Software and Communications

On power control and frequency reuse in the two user cognitive channel

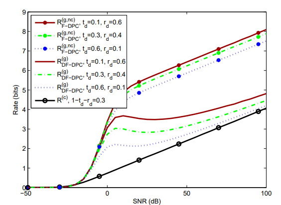
This paper considers the generalized cognitive radio channel where the secondary user is allowed to reuse the frequency during both the idle and active periods of the primary user, as long as the primary rate remains the same. In this setting, the optimal power allocation policy with single-input singleoutput (SISO) primary and secondary channels is explored. Interestingly, the offered gain resulting from the frequency reuse during the active periods of the spectrum is shown to disappear in both the low and high signal-to-noise ratio (SNR) regimes. We then argue that this drawback in the high

Software and Communications

On the achievable rates of a secondary link coexisting with a primary multiple access network

Abstract: An achievable rate region for a primary multiple access network coexisting with a secondary link of one transmitter and a corresponding receiver is analyzed. The rate region depicts the sum primary rate versus the secondary rate and is established assuming that the secondary link performs rate splitting. The achievable rate region is the union of two types of rate regions. The first type is a rate region established assuming that the secondary receiver cannot decode any primary signal, whereas the second is established assuming that the secondary receiver can decode the signal of one

Software and Communications

Effective capacity optimization for cognitive radio networks under primary QoS provisioning

Cognitive radios have emerged as a key enabler for opportunistic spectrum access, in order to tackle the wireless spectrum scarcity and under utilization problems over the past two decades. In this paper, we aim to enhance the secondary user (SU) performance while maintaining the desired average packet delay for the primary user (PU). In particular, we investigate the trade-off between delay-constrained primary and secondary users in cog- nitive radio systems. In the first part of this work, we use the hard-sensing scheme to make a decision on the PU activity and maximize the SU effective

Software and Communications

Effective capacity and delay optimization in cognitive radio networks

In this paper, we study the fundamental trade-off between delay-constrained primary and secondary users in cognitive radio networks. In particular, we characterize and optimize the trade-off between the secondary user (SU) effective capacity and the primary user (PU) average packet delay. Towards this objective, we employ Markov chain models to quantify the SU effective capacity and average packet delay in the PU queue. Afterwards, we formulate two constrained optimization problems to maximize the SU effective capacity subject to an average PU delay constraint. In the first problem, we use the

Software and Communications

Energy-efficient cooperative cognitive relaying schemes for cognitive radio networks

We investigate a cognitive radio network in which a primary user (PU) may cooperate with a cognitive radio user (i.e., a secondary user (SU)) for transmissions of its data packets. The PU is assumed to be a buffered node operating in a time-slotted fashion where the time is partitioned into equal-length slots. We develop two schemes which involve cooperation between primary and secondary users. To satisfy certain quality of service (QoS) requirements, users share time slot duration and channel frequency bandwidth. Moreover, the SU may leverage the primary feedback message to further increase

Software and Communications

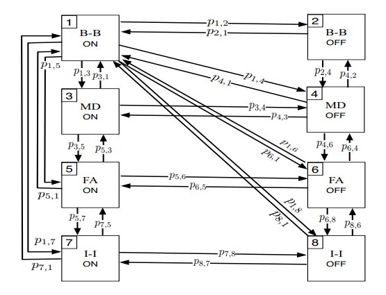
Stability analysis of an ordered cognitive multiple-access protocol

We investigate an ordered-access protocol for cognitive radios. The primary user (PU) operates in a time-slotted fashion and starts transmitting at the beginning of the time slot if its queue is nonempty. The secondary users, depending on their queues and spectrum sensing results, may start transmitting at times τ, 2τ , 3τ relative to the beginning of the time slot, where τ is the sensing duration. Secondary user j is assigned rank or order i and possibly starts transmitting at time iτ relative to the beginning of the time slot with a certain probability designed to guarantee the stability of

Software and Communications

A probabilistic MAC for cognitive radio systems with energy harvesting nodes

In this paper, we consider a cognitive radio (CR) system where the secondary user (SU) harvests energy from both the nature resources and the primary user (PU) radio frequency (RF) signal. We propose an energy-based probabilistic access scheme in which SU probabilistically accesses and senses the primary channel. The decision is based on the available energy and the PU's activity. We investigate the problem of maximizing the SU's success rate provided that the PU average quality of service (QoS) constraint is satisfied. We also assume multi-packet reception (MPR) capability and sensing errors

Software and Communications

Power-optimal feedback-based random spectrum access for an energy harvesting cognitive user

In this paper, we study and analyze cognitive radio networks in which secondary users (SUs) are equipped with energy harvesting (EH) capability. We design a random spectrum sensing and access protocol for the SU that exploits the primary link's feedback and requires less average sensing time. Unlike previous works proposed earlier in literature, we do not assume perfect feedback. Instead, we take into account the more practical possibilities of overhearing unreliable feedback signals and accommodate spectrum sensing errors. Moreover, we assume an interference-based channel model where the

Software and Communications

Joint power and rate scheduling for cognitive multi-access networks with imperfect sensing

A cognitive multi-access network in which a primary user and a secondary user transmit to a common receiver is considered. The secondary user senses the channel at the beginning of each time slot to determine whether the primary user is active or idle. The sensing is not perfect; hence, the secondary user can miss the detection of an active primary user or erroneously declare an idle primary user as active. The secondary user can vary its transmission rate and power from a time slot to the other. A joint rate and power scheduling algorithm is proposed that minimizes the probability of packet

Software and Communications