btbanner.jpg

Control and synchronization of a fractional order hyperchaotic system via backstepping and active backstepping approach

During the last 10 years, fractional calculus has find its application in almost every field of science and engineering. One of the well-studied application area is control engineering. Fractional calculus gives a more realistic modeling of linear and nonlinear systems which are called as fractional order systems. Fractional order control is another area of study under this field. Fractional order chaotic systems have become a great topic of research in recent years as these systems have certain advantages over integer order systems. Fractional order chaotic systems give a wide variety of

Software and Communications

Design of fractional order fuzzy sliding mode controller for nonlinear complex systems

Controlling a nonlinear, time-varying, uncertain, coupled multiinput-multioutput (MIMO) complex system is always a challenging task for control engineers. A linear PID controller is not able to control effectively these complex systems and a robust adaptive controller is needed for perfect control. In this chapter, a fractional order fuzzy sliding mode proportional derivative (FOFSMCPD) controller is presented to control a two-link planar rigid robotic manipulator system. Literature reveals that sliding mode controllers (SMC) have the serious issue of fast oscillations, called chattering, in

Software and Communications
Mechanical Design

Bridge information modeling in sustainable bridge management

Bridge Management Systems (BMS) play a crucial role in maintenance and rehabilitation decisions related to bridges. This paper presents using Bridge Information Modeling (BrIM) framework that adopts BMS features including; databases, inspection module, and condition assessment module. The proposed BrIM framework creates a database of bridges' components and generates inspection spreadsheets. It also visualizes bridge components considering the information stored in the database and inspection spreadsheets, using Structured Query Language (SQL) statements. The paper presents the integration of

Software and Communications
Mechanical Design

IoT Systems Internal Mapping using RTT with the integration of Blockchain technology

The degree to which innovators adopt Blockchain as a tool to create relevant and useful business solutions will determine how fast and far the platform moves into our daily lives. There are limitless opportunities for technology to define and shape future innovation. In a world dominated by digital technology, IoT plays a prominent role in our lives. It has created an ecosystem that links many systems to give smart performances in every task. The proliferation of the IoT has created a new evolution of cell phones, home and other embedded applications that are all connected to the internet

Artificial Intelligence
Software and Communications

Conceptual cost estimation of pump stations projects using fuzzy clustering

Conceptual cost estimates, are prepared at the very early stages of a project, and generally before the construction drawings and specifications are available. At this stage, cost estimates are needed by the owner, contractor, designer, or funding agencies for determination of the feasibility of a project, financial evaluation of a number of alternative projects, or establishment of an initial budget. Traditional approaches rely heavily on experienced engineers. This paper presents a method using fuzzy clustering technique for pump station projects cost estimation. The proposed conceptual cost

Artificial Intelligence
Software and Communications
Mechanical Design

Multiobjective optimisation algorithm for sewer network rehabilitation

Understanding of deterioration mechanisms in sewers helps asset managers in developing prediction models for estimating whether or not sewer collapse is likely. Effective utilisation of deterioration prediction models along with the development and use of life cycle maintenance cost analysis contribute to reducing operation and maintenance costs in sewer systems. This article presents a model for life-cycle maintenance planning of deteriorating sewer network as a multi-objective optimisation problem that treats the sewer network condition and service life as well as life-cycle maintenance cost

Artificial Intelligence
Energy and Water
Software and Communications

Multiobjective genetic algorithm to allocate budgetary resources for condition assessment of water and sewer networks

This paper presents a framework for optimizing condition assessment policies by balancing the revealed value of information with the cost of obtaining such information. The computational platform is based on augmenting the asset condition state with an expected level of accuracy. Inaccuracies due to condition assessment reliability are evaluated using the partially observable Markov decision process. The single objective genetic algorithm is used to select the most cost-effective assets to assess considering information inaccuracy under a fixed budget. The model is extended using

Artificial Intelligence
Energy and Water
Software and Communications

Towards optimum condition assessment policies for water and sewer networks

With ageing water and sewer infrastructure in North America, assessing the condition of these assets has received increased attention in the past few years. Condition assessment is an integral component in any asset management program. Determining the condition of buried infrastructure tends to be more cumbersome, costly and error-prone compared to other surface infrastructure like roads and buildings. For sewers, CCTV is considered the industry standard for condition assessment technologies. For pressurized water pipelines, technologies tend to be more costly and uncertain (e.g

Artificial Intelligence
Energy and Water
Software and Communications

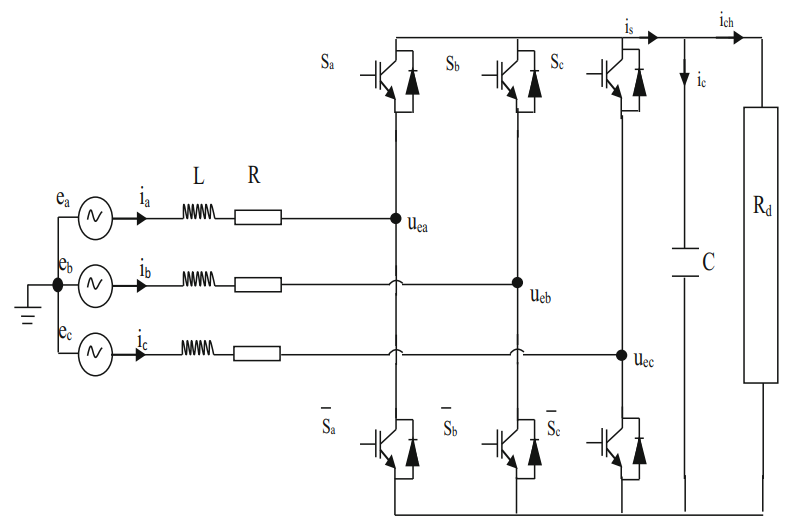
Comparative Study of Two Level and Three Level PWM-Rectifier with Voltage Oriented Control

This article presents performance evaluation and comparison between Voltage Oriented Control (VOC) methods for PWM-rectifiers, two levels and three levels, in order to demonstrate the great advantages of using a three-level Neutral Point Clamped (NPC). The control of the DC bus voltage is carried out using the PI controller. The effectiveness of this approach is illustrated by simulation results using MATLAB/Simulink. © Springer Nature Switzerland AG 2019.

Circuit Theory and Applications
Software and Communications

Architectures and Challenges Towards Software Defined Cloud of Things (SDCoT)

Last decade witnessed a growth on developing of IoT architecture models to cope with various challenges and domains requirements. This leads to rapid increasing the number of the connected devices, which means large amount of data are needed to be stored and processed. Form this context, Cloud Computing is emerged as a solution to enable centrally unlimited storage of data and programs with the ability to access anytime from anywhere. The integration between IoT and cloud brings the concept of Cloud of Things (CoT) to support different types of data and multiple services with data ubiquity

Circuit Theory and Applications
Software and Communications